Saltar la navegación

El circuito RC en Corriente Continua

Hoy vamos a ver cómo funciona un circuito RC (Resistencia-Condensador).

A diferencia de los circuitos solo con resistencias, aquí el tiempo es importante.

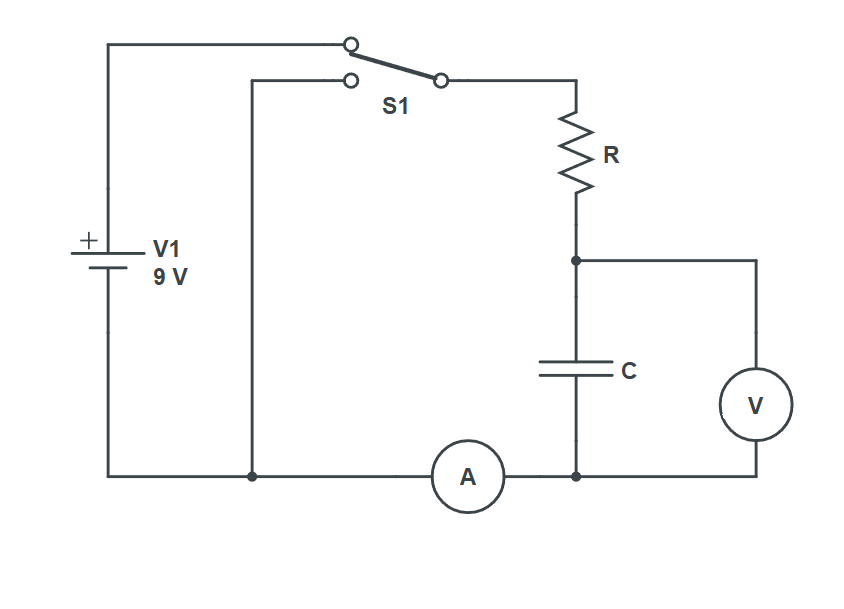
Observa el circuito RC y verás que el interruptor S1 tiene dos posiciones: 

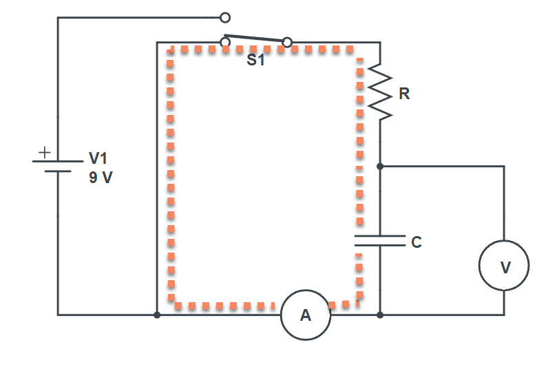
Circuito RC
S1 en estado 1
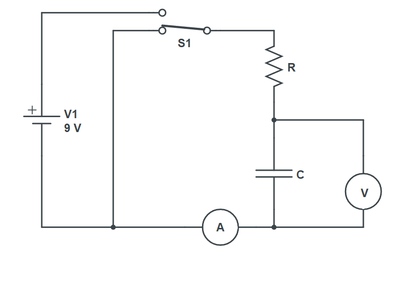
Circuito RC estado 2
S1 en estado 2

1. Fase de Carga del condensador

RC carga condensador CC
Carga del condensador

Fijaos en la línea amarilla.

El interruptor conecta la batería de 9V con la resistencia y el condensador. 

Lo que sucede:

Al cerrar el interruptor, la batería empieza a empujar electrones. La corriente sale del positivo, atraviesa la resistencia (R) y llega al condensador (C).

¡Ojo! La corriente no atraviesa el condensador (hay un aislante dentro). Lo que ocurre es que las cargas se acumulan en sus placas y poco a poco va ganando voltaje. Es como inflar un globo o llenar un depósito de agua.

Qué marcan los instrumentos:

El Amperímetro (A): Al principio marca mucha corriente (la corriente máxima inicial I = V/R), pero a medida que el condensador se "llena", es más difícil meter más carga. La corriente va bajando poco a poco hasta llegar a cero.

El Voltímetro (V): Al principio marca 0V (está vacío). A medida que se carga, el voltaje sube hasta llegar a los 9V de la batería.

Estado final: Cuando el condensador llega a 9V, está totalmente cargado. La corriente se detiene. El circuito está abierto funcionalmente.

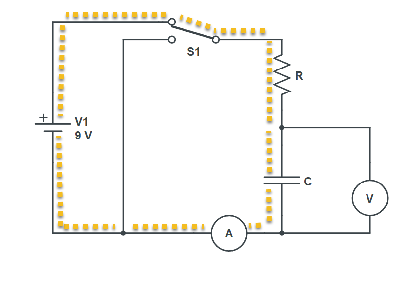
2. Fase de Descarga del condensador.

circuito RC estado 2 Descarga
Descarga del condensador

Ahora movemos el interruptor. ¡Fijaos bien!

Hemos desconectado la batería (la línea de la izquierda queda en circuito abierto por lo que no hay circulación de corriente a través de ella).

Ahora tenemos un circuito cerrado solo entre el Condensador y la Resistencia.

El condensador, que estaba cargado a 9V, ahora actúa como una "batería temporal".

Las cargas que estaban apretadas en el condensador quieren salir y equilibrarse, por lo que el condensador empieza a descargarse sobre el circuito.

Qué marcan los instrumentos:

El Amperímetro (A): La corriente será máxima al principio de acuerdo con la Ley de OHM. Pero irá bajando hasta cero a medida que se agota la energía almacenada en el condensador.

El Voltímetro (V): Empieza en 9V (lleno) y va bajando poco a poco hasta llegar a 0V (vacío).

Creado con eXeLearning (Ventana nueva)