Saltar la navegación

📒Ejercicios

📒26. Copia y resuelve en tu cuaderno

Calcula la resistencia equivalente del siguiente circuito:

2 resistencias 10 k en paralelo

📒27. Copia y resuelve en tu cuaderno

A una pila de 9 V se le conectan dos resistencias en paralelo de 6 Ω y 2 Ω, respectivamente.

1) Dibuja el esquema eléctrico del circuito y calcula su resistencia equivalente.

2) Calcula la intensidad que pasa por cada resistencia y la intensidad total.

3) La potencia de cada una, así como la potencia total cedida por la pila.

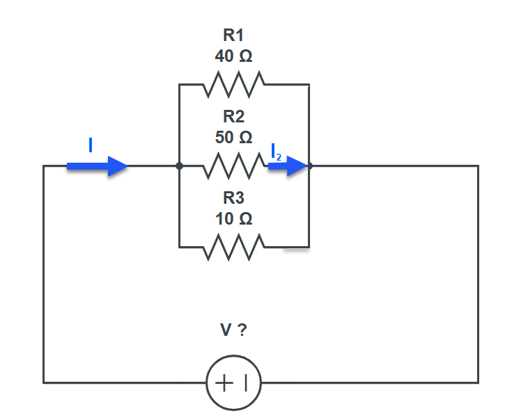
📒28. Copia y resuelve en tu cuaderno

En el circuito de la imagen la intensidad de corriente que se ha medido con un amperímetro en la resistencia R2, es de 2 A. Con estos datos, calcula la intensidad de corriente por el resto de las resistencias . Así como la tensión y corriente suministrada por el generador.

ejercicio 3 resistencias en paralelo e intensidad 1 rama

📒29. Copia y resuelve en tu cuaderno

Una línea eléctrica de 230 V alimenta a los siguientes receptores: una lámpara incandescente de 60 W, una cocina eléctrica de 3 kW y una estufa de 1 kW.

Calcula:

corrientes y potencias

a) Intensidad que absorbe cada receptor de la red.

b) Resistencia de cada receptor.

c) Resistencia total.

Creado con eXeLearning (Ventana nueva)