Saltar la navegación

📒+Ejercicios

📒ELT.21. Copia y resuelve en tu cuaderno

Disponemos de dos condensadores de 680μF y 100 μF. Si se conectan en serie a una pila de 1,5 V, ¿cuál será la capacidad del conjunto? 

Calcula la carga total y la carga acumulada en cada condensador. ¿qué tensión existirá en los bornes de cada condensador?

Repite este mismo ejercicio pero realizando la conexión de ambos condensadores en paralelo.

📒ELT.22. Copia y resuelve en tu cuaderno

El siguiente diagrama muestra un circuito de condensadores C1 = 10 µF, C2 = 5 µF y C3 = 5 µF. ¿Cuál es la capacitancia total entre las terminales A y B?

Si se conecta a una pila de 9 V y a una resistencia de 1kΩ. Calcula la constante de tiempo y la carga a la que se encuentran cada uno de los condensadores.

 condensadores serie paralelo

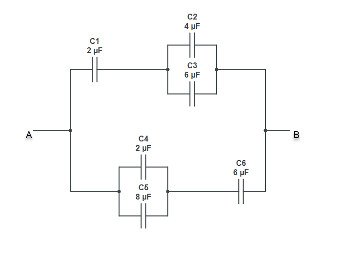
📒ELT.23. Copia y resuelve en tu cuaderno

La asociación de condensadores de la imagen cuyas capacidades están expresadas en μF, se conectan a una diferencia de potencial VAB = 12 V.

condensadores ejercicio 23

Calcular:
a) Capacidad equivalente de la asociación.
b) Carga almacenada por el condensador C3 = 6 µF.
c) Diferencia de potencial en el condensador C₁ =2 µF.

ELT.24. Copia y resuelve en tu cuaderno

Dibuja los diferentes montajes que podrías efectuar con tres condensadores de 2 μF indicando en cada uno de ellos su capacidad equivalente.

ELT.25. Copia y resuelve en tu cuaderno

En el conjunto de condensadores que se muestra en la figura, la tensión aplicada a los de 1 µF es de 5 V. Se pide calcular el valor del voltaje VAB

ejercicio condensadores

Creado con eXeLearning (Ventana nueva)