Saltar la navegación

📒 +Ejercicios

📒ELT.6. Copia y resuelve en tu cuaderno

En el circuito eléctrico de la figura se conectan varios resistores entre los puntos A y B, con los valores indicados en el diagrama.

Entre los puntos A y B se conecta un amperímetro ideal, el cual mide una corriente total de entrada de 6 A que circula hacia la resistencia R1 de 10 Ω.

Se pide:
Calcular la resistencia equivalente del circuito entre los puntos A y B.
Determinar el voltaje total al que está conectado el circuito entre los puntos A y B.

elect 6

📒ELT.7. Copia y resuelve en tu cuaderno

1)Determina la resistencia total equivalente del siguiente circuito. 

2) Si cuando conectamos a una fuente de tensión, verificamos que circulan por la resistencia R3=4Ω una corriente de 2A. Determina las corrientes que pasan por el resto de las resistencias, la intensidad total del circuito y el valor del voltaje total.

serie paralelo resistencias

📒ELT.8. Copia y resuelve en tu cuaderno

Calcula la corriente, la caída de tensión y la potencia disipada en cada una de les resistencias del circuito:

problema circuito mixto

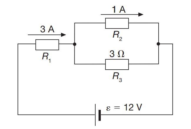
📒ELT.9. Copia y resuelve en tu cuaderno

Calcula el valor de las resistencias R1 y R2 del circuito de la imagen:

circuito mixto

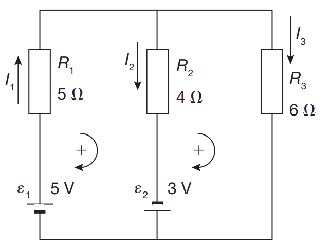
📒ELT.10. Copia y resuelve en tu cuaderno

Resuelve el circuito aplicando Kirchhoff o superposición:

mallas

Creado con eXeLearning (Ventana nueva)