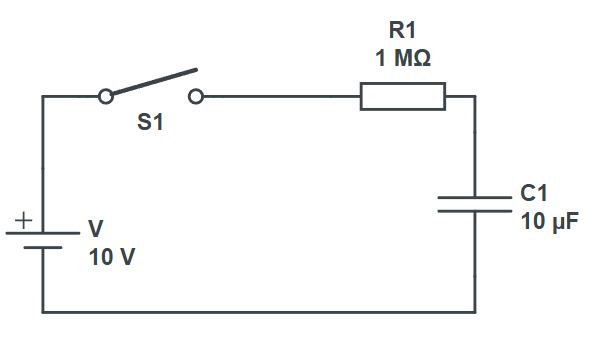
📒56. Copia y resuelve en tu cuaderno
En el circuito de la imagen calcula:

a) Corriente que circula por el circuito nada más pulsar el pulsador. (t=0)
b) Calcula la constante de tiempo del condensador del circuito.
c) Calcula también cuánto tiempo debemos tener pulsado el pulsador para que la carga sea completa.
I0=12mA; τ = 0,2 s; t carga = 1 s

